1. Tổng quan sản phẩm Card PG-X2 Yaskawa
Giới thiệu Card Option PG-X2 (Code No. 73600-A015X), một module điều khiển tốc độ PG (PG Speed Control Card) hiệu suất cao, được thiết kế chuyên biệt cho các dòng biến tần Yaskawa Varispeed G5, F7 và G7. Chức năng cốt lõi là nhận tín hiệu phản hồi tốc độ và hướng quay từ encoder loại Line Driver (chuẩn RS-422). Card cho phép biến tần kích hoạt các chế độ điều khiển vòng kín (Closed Loop) tiên tiến như V/f with PG và Flux Vector Control.
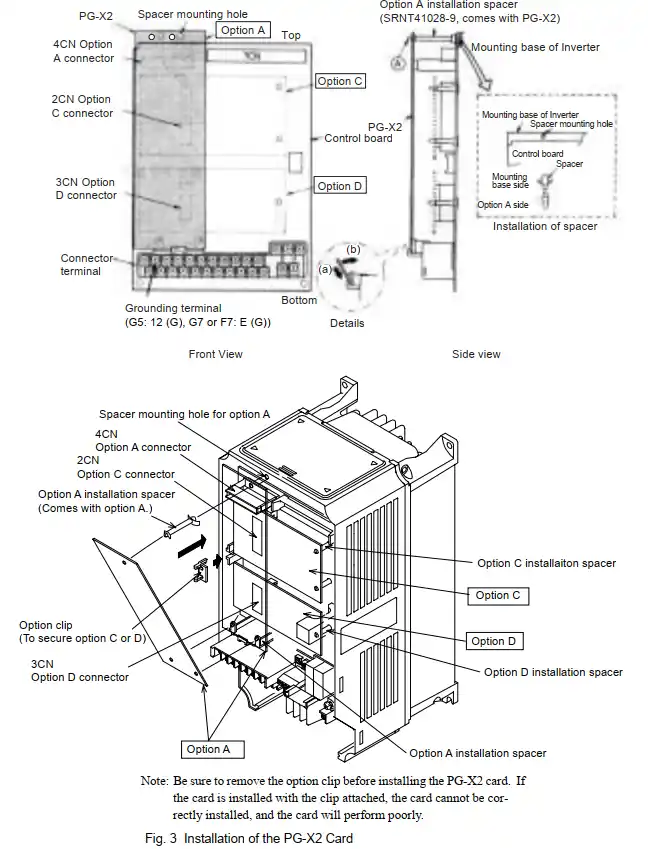
PG-X2

Việc tích hợp card PG-X2 giúp logic điều khiển của biến tần bù trừ chính xác hiện tượng trượt (slip) của động cơ, duy trì tốc độ vận hành ổn định ngay cả khi tải biến động. Với khả năng xử lý tín hiệu A, B, Z, PG-X2 là giải pháp nâng cấp mạnh mẽ, mang lại hiệu suất điều khiển vượt trội so với các phương pháp V/f hở truyền thống.
2. Ứng dụng thực tế
Card PG-X2 là lựa chọn bắt buộc cho các hệ thống sử dụng biến tần G5, F7, G7 đòi hỏi khả năng điều khiển vector vòng kín và độ chính xác tốc độ cao, đặc biệt với các encoder line driver RS-422.

Máy cán thép & Máy kéo dâyYêu cầu điều khiển Flux Vector để duy trì tốc độ và momen chính xác, đảm bảo chất lượng sản phẩm đồng đều. |
Hệ thống đồng bộ tốc độSử dụng trong máy in, máy dệt, máy làm bao bì, nơi các trục phải chạy đồng tốc tuyệt đối, đòi hỏi phản hồi tốc độ cao từ PG-X2. |
Cẩu trục và Thiết bị nâng hạĐiều khiển vector vòng kín với PG-X2 giúp giữ tải ổn định ở tốc độ bằng không và di chuyển êm ái, chính xác. |
Máy công cụ (CNC)Điều khiển trục chính (spindle) hoặc các trục phụ yêu cầu độ phân giải encoder cao và tần số xung lớn mà PG-X2 hỗ trợ. |
3. Tính năng và công nghệ nổi bật
Module PG-X2 được thiết kế để xử lý tín hiệu encoder tốc độ cao và cung cấp khả năng chống nhiễu vượt trội, đáp ứng các tiêu chuẩn công nghiệp khắt khe.
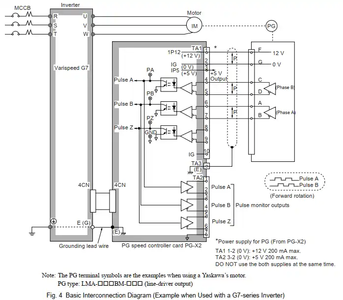
- Giao tiếp Line Driver (RS-422): Hỗ trợ chuẩn tín hiệu vi sai (A+/A-, B+/B-, Z+/Z-) từ encoder RS-422, cung cấp khả năng chống nhiễu vượt trội, cho phép truyền tín hiệu ổn định ở khoảng cách xa (lên đến 100m).
- Tần số đầu vào 300 kHz: Khả năng xử lý tín hiệu đầu vào cực cao, lên đến 300 kHz, lý tưởng cho các động cơ tốc độ cao hoặc encoder có độ phân giải lớn.
- Nguồn cấp PG Kép (5V/12V): Cung cấp 2 tùy chọn nguồn cấp cho encoder (TA1) là +12V (200mA max) và +5V (200mA max). Lưu ý: Không được sử dụng đồng thời cả hai nguồn cấp.
- Ngõ ra giám sát RS-422: Card PG-X2 có 3 kênh ngõ ra (TA2) (A, B, Z) chuẩn RS-422, cho phép lặp (repeat) tín hiệu encoder về PLC hoặc bộ điều khiển khác để giám sát đồng thời.
- Hỗ trợ 3 pha A/B/Z: Xử lý đầy đủ tín hiệu 2 pha A, B để xác định tốc độ/hướng quay và pha Z (marker pulse) cho các ứng dụng tham chiếu vị trí.

4. Thông số kỹ thuật chi tiết của biến tần Yaskawa
Bảng thông số kỹ thuật chi tiết của Card Option PG-X2 (Code No. 73600-A015X), tương thích với Varispeed G5, F7, và G7.
| Hạng mục | Thông số kỹ thuật |
| Model | PG-X2 |
| Code No. | 73600-A015X |
| Biến tần tương thích | Yaskawa Varispeed G5, F7, G7 |
| Loại Encoder tương thích | RS-422 (Line Driver) output |
| Tín hiệu ngõ vào (TA1) | A+/A-, B+/B-, Z+/Z- (RS-422 level) |
| Tần số ngõ vào tối đa | 300 kHz |
| Nguồn cấp PG (TA1) | +12 V (200mA max) HOẶC +5 V (200mA max) – Không dùng đồng thời |
| Ngõ ra giám sát (TA2) | A+/A-, B+/B-, Z+/Z- (RS-422 level) |
| Chế độ điều khiển hỗ trợ | V/f w/PG, Flux Vector Control |
| Chiều dài cáp tối đa | 100 m (328 ft.) |
5. Lợi ích và cam kết từ Long Huyền Minh
Khi mua card PG-X2 tại Long Huyền Minh, quý khách hàng nhận được sản phẩm Yaskawa chính hãng, là giải pháp nâng cấp hoàn hảo cho các hệ thống G5, F7, G7 cũ. Chúng tôi cam kết mới 100%, bảo hành theo tiêu chuẩn nhà sản xuất.
Đội ngũ kỹ sư của Long Huyền Minh (được đào tạo từ hãng) sẵn sàng hỗ trợ kỹ thuật cài đặt PG-X2, hướng dẫn đấu nối terminal TA1, TA2, và cấu hình thông số F1-xx, C5-xx để chạy Flux Vector. Sản phẩm luôn có sẵn kho.









